This website requires JavaScript.
Explore
Help
Sign In
easylinux
/
NmraDcc
Watch
1
Star
0
Fork
0
You've already forked NmraDcc
Code
Issues
Pull Requests
Actions
Packages
Projects
Releases
Wiki
Activity
Files
0bab98c838437a8c9e80148284b63d94323d3b66
NmraDcc
/
examples
/
SMA
/
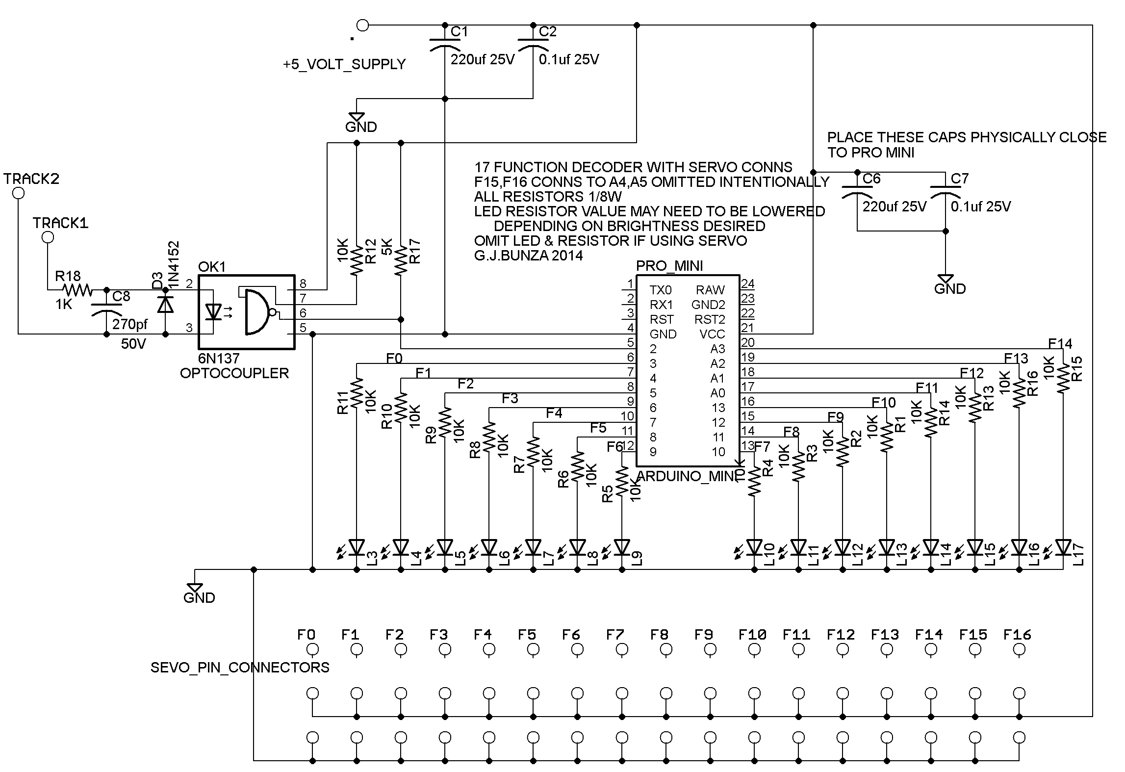
17Ftn_Decoder_diagram.jpg
Alex Shepherd
2c55e735b7
Added Geoff's 5.1 changes
2016-06-11 15:31:34 +12:00
780 KiB
Executable File
Raw
History
Reference in New Issue
View Git Blame
Copy Permalink